电脑电源不通电怎么解决
您可能还喜欢这些产品
- 电脑电源不通电怎么解决
当您的电脑电源无法正常供电时,可以尝试以下几个步骤来排查和解决问题:1. 检查电源线和插座:首先确保电源线连接正确,插座有电。您可以试着将
大毅科技怎么样大毅科技成立于1989年,是全球第二大SMD厚膜片式电阻器供应商。大毅科技凭借强大的管理团队,以最先进的设备和技术制造出高品质的零部件,并以最具
电容阻抗怎么求电容电抗公式:Xc=1/ωc(100+j200-j400)/(100+j200)*(-j400)=-32+24j这是复数的计算,可以通过反复变形来计算。实验表明,容抗与电容和频率成反比。如果
台湾光颉科技怎么样光颉公司档案行业电子设备、仪器及组件板块信息技术员工337股票类型ORD光颉科技股份有限公司是一家台湾公司,主要从事开发、制造及销售电阻及高频
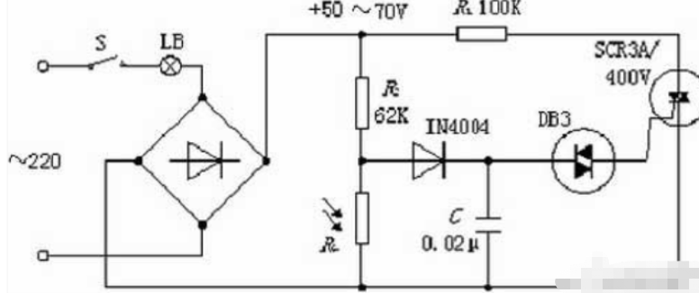
光敏电阻怎么接灯上Arduino:光敏电阻实现光感应灯光敏电阻器(photovaristor)又叫光感电阻,是利用半导体的光电效应制成的一种电阻值随入射光的强弱而改变的电阻器;入
电容正负极怎么区分1、螺栓式电解电容器正负极标识。螺栓式铝电解电容器在套管上有明显的正负等级标记,正极为“+”,负极为“-”。大多数螺栓电容器在盖板上的端子
光敏电阻怎么做开关1、光敏电阻调光电路图中是一种典型的光控调光电路,其工作原理是:当周围光线变弱时引起光敏电阻RG的阻值增加,使加在电容C上的分压上升,进而使
汽车音响电容怎么接如何安装汽车音响电容(附详细解释图)第1部分:电容器的用途电容器是用于电力或电压的存储装置。电容器有各种形状和尺寸,务必确保购买适合您电
怎么判断三极管好坏使用万用表的二极管量程依次测量三极管的三极,应该有两个相同的电压降。如果连续性为0,则表示三极管已损坏。三极管一般有短路、
光敏电阻参数怎么看光敏电阻基本特性有哪些?要如何挑选?详细规格参数表了解一下光敏电阻是一种随着外界光线强弱变化而变化的电阻,即入射光强,电阻减小,入射光
毫欧贴片电阻怎么表示一、毫欧电阻一般根据具体线路板的要求,分为插件电阻、贴片电阻。毫欧电阻,阻值低,精密度高,一般在阻值精密度在±1%以内,更高要求的用途时会
电阻单位毫欧怎么显示电阻单位毫欧是一个中文表达方法。毫欧的物理符号是mΩ,数量级是10的负三次方。一般情况下,电阻值小于1Ω的低阻电阻应以mΩ表示。毫欧电阻通常如
电阻毫欧的符号怎么写mΩ电阻单位是欧姆,用符号Ω表示,Ω(ω)是希腊字母中的第24个,也是最后一个。中文音译:欧米伽、字面上的意思是“大 O”(o mega),以便与字母“
升压电感怎么判别坏了升压电感器是常见的电子元件之一,它在电路中的主要功能是将低电压升高到高电压。那么,你知道如何测量升压电感的质量吗?下面将教大家如何
无感水泥电阻怎么检测水泥电阻是将电阻丝线绕在无碱性耐热瓷件上,外面加上耐热、耐湿及耐腐蚀的材料里保护固定并把绕线电阻体放入方形瓷器框内,用特殊不燃性耐热水
直流电容接反会怎么样极性电容器的使用注意事项:1.仅直流供电有极性电容只能由直流供电,不能用于交流。极化电容器内部的特殊材料无法承受反向电压。将极性电容器连
怎么区别无感水泥电阻无感即是无感值的意思,当然这里的无,是指电阻上的感抗值非常小了,可以忽略不计,一般不能说是彻底没有。一些精密的仪器仪表设备,电子工业设
温度升高电阻怎么变化金属温度越高电阻越大,因为,金属导电是其内部有自由运动的电子(无规则)。当温度上升时,这些电子会加剧来回振动,以至于阻碍电流
怎么测量毫欧电阻才精准电阻的阻值怎么测试是否达标?常常有工程师喜欢用万用表检测电阻阻值,通常这种方法我们并不认可它是科学的测量方法。万用表内部或表笔线路
接地电阻测试仪线怎么插?接地电阻测试仪专门用于测试接地装置的电气完整性。与绝缘子故障检测器一样,它是电气测试中不可或缺的一部分,也是常规测试项目。主要测试
