采样电阻包括电流采样和电压采样。对于电流采样,电阻小的电阻器串联连接,对于电压采样,电阻大的电阻器并联连接。采样电阻又称合金电阻、电流检测电阻、取样电阻等,这类电阻根据产品的功能划分。取样电阻在功能上用作参考,通常用于反馈电路。以稳定电源电路为例。为使输出的电压保持恒定状态,要从输出电压取一部分电压做参考(常用取样电阻的形式),如果输出高了,输入端就自动降低电压,使输出减少;若输出低了,则输入端就自动升高电压,使输出升高。

采样电阻包括电流采样和电压采样。对于电流采样,电阻小的电阻器串联连接,对于电压采样,电阻大的电阻器并联连接。采样电阻又称合金电阻、电流检测电阻、取样电阻等,这类电阻根据产品的功能划分。取样电阻在功能上用作参考,通常用于反馈电路。以稳定电源电路为例。为使输出的电压保持恒定状态,要从输出电压取一部分电压做参考(常用取样电阻的形式),如果输出高了,输入端就自动降低电压,使输出减少;若输出低了,则输入端就自动升高电压,使输出升高。

三阻方案是矢量控制相电流采样方案中常见的方案。由于三阻采样方案,一个周期采样一次就可以重构三相电流。算法简单,易于实现。理论上,只要下
在矢量控制相电流采样方案中,三阻方案较为常见。由于采用了三电阻采样方案,一个周期采样一次就可以实现三相电流的重构。该算法简单,易于实现
采样电阻是一种电阻值较小的电阻,串联在电路中,将电流转换成电压信号进行测量。采样电阻是一种限流元件。如果导体对电流有很大的阻挡作用,我
采样电阻采样原理详解采样电阻的核心在于“电流→电压”的转换机制。当待测电流流经采样电阻时,其产生的电压降即为采样信号。这一过程依赖于精
采样电阻是根据产品功能划分的电阻。采样电阻的功能为参考,通常用于反馈电路中。以稳定电源电路为例,为了保持输出电压的一定状态,必须参考输
采样电阻包括电流采样和电压采样。对于电流采样,电阻小的电阻器串联连接,对于电压采样,电阻大的电阻器并联连接。采样电阻
一,电流检测电阻的基本原理:根据欧姆定律,当被测电流流过电阻时,电阻两端的电压与电流成正比。当1W的电阻通过的电流为几百毫安时,这种设计
纯合金电阻又可以称为电流检测电阻,采样电阻,超低阻值电阻以及高功率电阻,还有人称为精密电阻。纯合金电流检测电阻可分为:厚膜低阻值电流检
在电子工程和电路设计中,采样电阻是一种非常重要的元件,它主要用于测量电流大小,通过检测电压降来间接获得电流信息。根据欧姆定律(V=IR),我
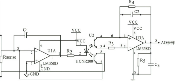
这个要看你的ad转换的最小的输入电压是多少,如果电流采样的最小电压信号不够幅度,可以用运放电路组成比例放大电路放大采样的信号再输入到ad,这
在电子工程中,采样电阻是一种关键元件,主要用于测量电流或电压,通过其自身电阻值的变化来反映电路中的电流强度。它们广泛应用于电源管理、电
什么是电流采样电阻?它具有什么作用?电流采样电阻也称为电流采样电阻,用于测量电路中的电流。电流采样电阻通常用作电路中的参考电阻,并且通
采样电阻的工作原理及其在电路中的关键作用采样电阻是电子系统中用于测量电流或电压的关键元件,广泛应用于电源管理、电机控制、电池监测等场景
采样电阻是串联在被测电路中的,数值越大,它降掉的电压越多,使得实际加到负载上的电压减小,而负载电压的改变,使得负载电流也不再是原来的数
1 电流采样的作用在FOC算法中,电流采样在反馈环节是相当重要的一部分,无论是有感FOC,还是无感FOC,相电流是交流三相同步电机在进行坐标变换的关
为了在电源回路中,低成本的方案,尽可能准确的采集到回路电流,最常用的办法就是采样电阻。一般选用精密电阻串到电流回路中,计算好电流与
合金采样电阻:高精度电流检测的核心组件在现代电子系统中,准确获取电流数据是实现闭环控制、故障预警与能效优化的基础。合金采样电阻凭借其卓
电流采样电阻我们通常也叫做电流取样电阻,电流采样电阻是用来测量电路中的电流。电流采样电阻在电路中我们通常用来做参考的
方案一:只讲理论值的话:2512 3W 0.0002R 1% 这个电阻就可以正常通过100A的电流。电阻示例如图:方案二:但是我们实际的
采样电阻的基本概念采样电阻,又称分流电阻(Shunt Resistor),是一种用于测量电流的精密电阻元件。其核心作用是通过将大电流转换为可测量的小电压
